SFR144A-D27-ZSO-KC-OPT
Dental Applications Bearings - 3.175x6.35x2.779 mm - Stainless Steel AISI 440C - High Speed Phenolic Cage Bearing
Myonic
Store: Minibearings - Miniature Bearings Australia - Retail & WholesaleAftermarket Dental Handpiece Parts
Dental replacement Parts
Order 50 or more for $35.23 AUD
Couldn't load pickup availability
Base Category: Bearings - Dental Applications
Top Level Category: Bearings - Dental Applications
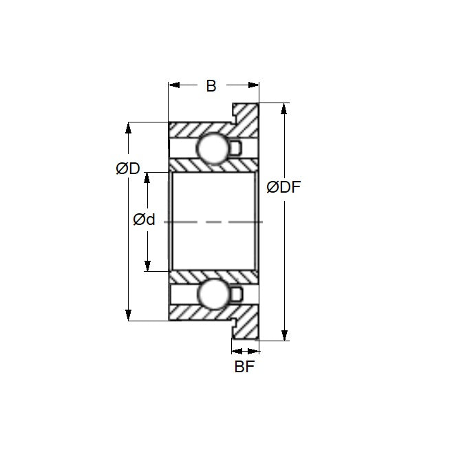
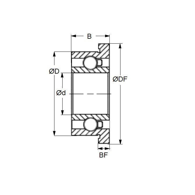
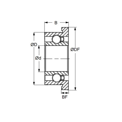
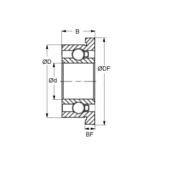
Product Details
ID (d): 3.175mm+ 0.000 / - 0.004
(3.175mm is 0.125 in.)
Stainless Steel AISI 440C - High Speed Phenolic Cage
- ID (d): 3.175mm
+ 0.000 / - 0.004
(3.175mm is 0.125 in.)
- OD (D): 6.350mm
+ 0.000 / - 0.005
(6.350mm is 0.25 in.)
- Width (B): 2.779mm
+ 0.000 / - 0.040
(2.779mm is 0.109 in.)
- Flange Diameter (DF): 7.518mm
- Flange Width (BF): 0.787
- Precision Grade: Abec 7 - Optimyn Germany Dental Special
- Closure Type: ZS
- Bearing Type: D27 Flanged Dental Special
- Lubricant: Oil - Special
Brand: Myonic
Country of Origin: DE
Product Compliance and Data
Similar to
- OPTIMYN-418 WIF-PHE
- OPTIMYN418 WIFPHE
We offer equivalents to many brands including Anderton, Barden, Berg, Designatronics, EZO, ISC, Koyo, Myonic, NMB, Nordex, NSK, Ondrives, Reid Industrial, RMB, SDP-SI, Seeger, SKF, and more.
Share

Click to open these sections
Collapsible content
PICK UP
Pick up is available from our Coopers Plains warehouse after your order is ready. Please refer to your ready notification email, and bring it with you to collect your parcel.
PDF CATALOGUES
You may freely download the following catalogues to review and compare products. To help you select the most readily available items, rows are colour coded and marked according to the key at the bottom of each page.
Part numbers from these catalogues can be checked in the online store. If they don't appear in the store, please email us for more information about the part.
Bearing Material Selection and Benefits
Bearings - Corrosion Resistant
Bearings - Radial - Master List
CROSS REFERENCES
We provide equivalents to many brands including Berg - Designatronics - Nordex - NSK - Oilite - Ondrives - Reid Industrial - SDP-SI - SKF. The following PDF cross references contain hundreds of thousands of part conversions.
Information, Catalogues, and News
View all-
Free Cross Reference for Reid Tool Engineering ...
Download the Reid Tool Engineering Parts Cross Reference *** UPDATE 2025.2 *** OCTOBER 2025 The MBA Part Numbers in this cross-reference are determined to be equivalent or similar to products...
Free Cross Reference for Reid Tool Engineering ...
Download the Reid Tool Engineering Parts Cross Reference *** UPDATE 2025.2 *** OCTOBER 2025 The MBA Part Numbers in this cross-reference are determined to be equivalent or similar to products...
-
Free Cross Reference for Nordex Engineering Parts
Download the Nordex Cross Reference *** UPDATE 2025.2 *** OCTOBER 2025 The MBA Part Numbers in this cross-reference are determined to be equivalent or similar to products offered by Nordex...
Free Cross Reference for Nordex Engineering Parts
Download the Nordex Cross Reference *** UPDATE 2025.2 *** OCTOBER 2025 The MBA Part Numbers in this cross-reference are determined to be equivalent or similar to products offered by Nordex...
-
Free Cross Reference for Ondrives Engineering P...
Download the Ondrives Cross Reference *** UPDATE 2025.2 *** OCTOBER 2025 The MBA Part Numbers in this cross-reference are determined to be equivalent or similar to products offered by Ondrives...
Free Cross Reference for Ondrives Engineering P...
Download the Ondrives Cross Reference *** UPDATE 2025.2 *** OCTOBER 2025 The MBA Part Numbers in this cross-reference are determined to be equivalent or similar to products offered by Ondrives...
-
Free Cross Reference for Miscellaneous Brand En...
Download the Miscellaneous Engineering Parts Cross Reference *** UPDATE 2025.5 *** OCTOBER 2025 The MBA Part Numbers in this cross-reference are determined to be equivalent or similar to products offered...
Free Cross Reference for Miscellaneous Brand En...
Download the Miscellaneous Engineering Parts Cross Reference *** UPDATE 2025.5 *** OCTOBER 2025 The MBA Part Numbers in this cross-reference are determined to be equivalent or similar to products offered...