BLP-191-0635-TSH-C
Ball Lock Pins - 19.05x63.5 mm - Carbon Steel Shoulder Type Pin
MBA
Store: Minibearings - Miniature Bearings Australia - Retail & Wholesale Additional resources:Master Pins Catalogue PDF
Flanged Receptacles for Ball Lock Pins
Order 50 or more for $33.91 AUD
Base Category: Pins - Ball Lock
Top Level Category: Pins - Ball Lock - Shoulder Type - Tee Handle
Product Details
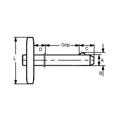
Nominal Diameter: 19.05mm(19.05mm is 0.75 in.)
- Nominal Diameter: 19.05mm
(19.05mm is 0.75 in.)
- Grip Length (B): 63.50mm
(63.50mm is 2.5 in.)
- Pin Material Grade: Carbon Steel
- Locking Ball to End (C): 23.80mm
- Open Ball Distance (B): 21.74mm
- Shoulder To End (D): 34.93mm
Brand: MBA
Country of Origin: US
Product Compliance and Data
Similar to
- ALTPART
- 98325A745
- FPD430
- FPD-430
We offer equivalents to many brands including Anderton, Barden, Berg, Designatronics, EZO, ISC, Koyo, Myonic, NMB, Nordex, NSK, Ondrives, Reid Industrial, RMB, SDP-SI, Seeger, SKF, and more.
Share

Click to open these sections
Collapsible content
PICK UP
Pick up is available from our Coopers Plains warehouse after your order is ready. Please refer to your ready notification email, and bring it with you to collect your parcel.
PDF CATALOGUES
You may freely download the following catalogues to review and compare products. To help you select the most readily available items, rows are colour coded and marked according to the key at the bottom of each page.
Part numbers from these catalogues can be checked in the online store. If they don't appear in the store, please email us for more information about the part.
Bearing Material Selection and Benefits
Bearings - Corrosion Resistant
Bearings - Radial - Master List
CROSS REFERENCES
We provide equivalents to many brands including Berg - Designatronics - Nordex - NSK - Oilite - Ondrives - Reid Industrial - SDP-SI - SKF. The following PDF cross references contain hundreds of thousands of part conversions.
Information, Catalogues, and News
View all-
Free Cross Reference for Reid Tool Engineering ...
Download the Reid Tool Engineering Parts Cross Reference *** UPDATE 2025.2 *** OCTOBER 2025 The MBA Part Numbers in this cross-reference are determined to be equivalent or similar to products...
Free Cross Reference for Reid Tool Engineering ...
Download the Reid Tool Engineering Parts Cross Reference *** UPDATE 2025.2 *** OCTOBER 2025 The MBA Part Numbers in this cross-reference are determined to be equivalent or similar to products...
-
Free Cross Reference for Nordex Engineering Parts
Download the Nordex Cross Reference *** UPDATE 2025.2 *** OCTOBER 2025 The MBA Part Numbers in this cross-reference are determined to be equivalent or similar to products offered by Nordex...
Free Cross Reference for Nordex Engineering Parts
Download the Nordex Cross Reference *** UPDATE 2025.2 *** OCTOBER 2025 The MBA Part Numbers in this cross-reference are determined to be equivalent or similar to products offered by Nordex...
-
Free Cross Reference for Ondrives Engineering P...
Download the Ondrives Cross Reference *** UPDATE 2025.2 *** OCTOBER 2025 The MBA Part Numbers in this cross-reference are determined to be equivalent or similar to products offered by Ondrives...
Free Cross Reference for Ondrives Engineering P...
Download the Ondrives Cross Reference *** UPDATE 2025.2 *** OCTOBER 2025 The MBA Part Numbers in this cross-reference are determined to be equivalent or similar to products offered by Ondrives...
-
Free Cross Reference for Miscellaneous Brand En...
Download the Miscellaneous Engineering Parts Cross Reference *** UPDATE 2025.5 *** OCTOBER 2025 The MBA Part Numbers in this cross-reference are determined to be equivalent or similar to products offered...
Free Cross Reference for Miscellaneous Brand En...
Download the Miscellaneous Engineering Parts Cross Reference *** UPDATE 2025.5 *** OCTOBER 2025 The MBA Part Numbers in this cross-reference are determined to be equivalent or similar to products offered...