
Miniature Bearings Australia
SPF8SRS - Datasheet
MBA
Category Information
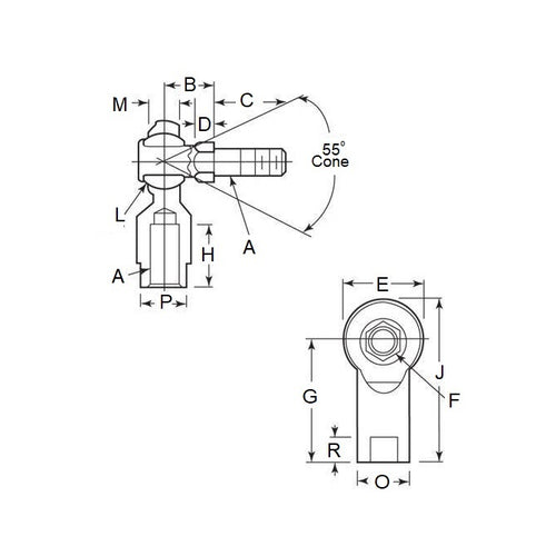
Rod Ends - Female - Steel - Studded - Nylon SeatNylon Seat Studded Steel Female Rod Ends. Housing is plated and dichromate treated steel.
- An expanded range may be available on special order. Please enquire.
- Ball is case hardened and plated
- Stud is permanently affixed and made from heat treated alloy steel, zinc plated.
Product Data
- Thread Size : 1/2-20 UNF (12.7mm) Right Hand
- Thread Length (H)
47.50
mm
(Equiv. 1.87 in.) - Thread Length (C)
28.58
mm
(Equiv. 1.125 in.) - Head Diameter (E) 33.33 mm
- Centre Height (G) 53.98 mm
- Top Width (M) 12.70 mm
- Ball Width (L) 15.88 mm
- Base Width 22.23 mm
- Base Length (P) 19.05 mm
Product Compliance and Data
Additional Resources
Cross References
- SPF8S
- SPF-8S


