
Miniature Bearings Australia
REF-159-L-PP-N - Datasheet
Iglidur
Category Information
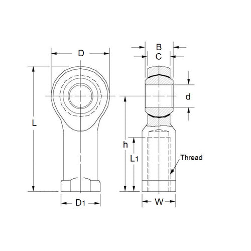
Rod Ends - Female - PlasticPlastic Female Rod Ends. Thermoplastic Body / L280(R) Polymer Ball. Also known as Heim Joints
- An expanded range may be available on special order. Please enquire.
- Dimensions not shown are available on request.
Product Data
- Eye Size (d1)
:
15.875
mm
+0.032 / +0.102
(Equiv. 0.625 in.) - Overall Length (L)
82.55
mm
(Equiv. 3.25 in.) - Thread Size 5/8-18 UNF Left
- Thread Length (l2) 34.93 mm
- Head Width (W) 19.05 mm
- Eye Width (W1) 11.79 mm
- Head Diameter (D1) 28.58 mm
- Centre Height (l1) 63.50 mm
- Grease Nipple No
- Max Angle of Pivot 22 °
- Max Torque Strength 30.00 n.m
- Body Width/Flange Width(W2/D3) 25.40 / 34.93 mm
Product Compliance and Data
Additional Resources
Cross References
- Igus KBLI-10
- KBLI10


