
Miniature Bearings Australia
REF-150-R-PP-140 - Datasheet
Iglidur
Category Information
Rod Ends - Female - PlasticPlastic Female Rod Ends. Thermoplastic Body / L280(R) Polymer Ball. Also known as Heim Joints
- An expanded range may be available on special order. Please enquire.
- Dimensions not shown are available on request.
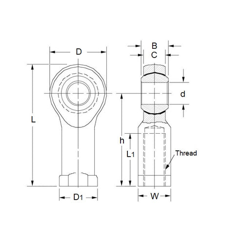
Product Data
- Eye Size (d1)
:
15.000
mm
+0.032 / +0.102
(Equiv. 0.591 in.) - Overall Length (L)
81.00
mm
(Equiv. 3.189 in.) - Thread Size M14x2 Right
- Thread Length (l2) 26.00 mm
- Head Width (W) 12.00 mm
- Eye Width (W1) 10.00 mm
- Head Diameter (D1) 40.00 mm
- Centre Height (l1) 61.00 mm
- Grease Nipple No
- Max Angle of Pivot 21 °
- Max Torque Strength 30.00 n.m
- Body Width/Flange Width(W2/D3) 21.00 / 26.00 mm
Product Compliance and Data
Additional Resources
Cross References
- Igus EBRM-15
- EBRM15


