
Miniature Bearings Australia
CCE-01000-C-V - Datasheet
MBA
Category Information
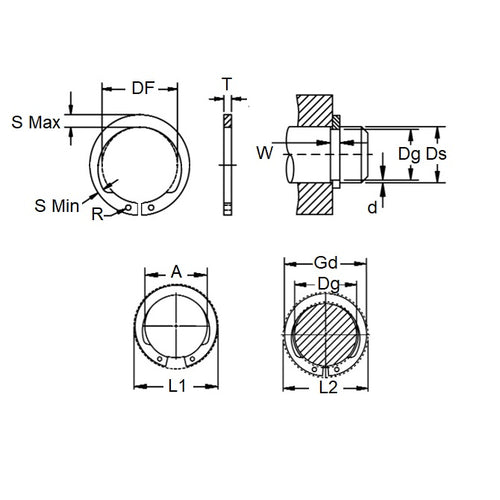
Retaining Rings - External - Circlips - InvertedInverted Circlips External Retaining Rings. N1408 / SHI / 16626 / 4100 / 5108 - Spring Steel and Stainless Steel. Retaining rings. Snap Rings (USA).
- An expanded range may be available on special order. Please enquire.
- Tapered section ring with lugs inverted on the ID to allow use in tight areas with minimal clearance.
- Less thrust load than standard circlips.
Product Data
- Shaft Diameter (Ds)
:
10.00
mm
(Equiv. 0.394 in.) - Clip Thickness (T)
0.60
mm
+ 0.00 / - 0.11
(Equiv. 0.024 in.) - Groove Dia. (Dg)
9.50
mm
+ 0.00 / - 0.05
(Equiv. 0.374 in.) - Approx. Loose Circlip ID (A) 9.20 mm
- Radial Wall (S) Approx. 1.80 mm
- Groove Width (W) 0.70 mm
- Tool PRS-E009
- Material Carbon Spring Steel
Product Compliance and Data
Additional Resources
Cross References
- NoCor DSHI-010
- DSHI010


