
Miniature Bearings Australia
RR-354 - Datasheet
MBA
Category Information
Retaining Rings - Internal - Spiral Rings - Medium Duty - Carbon SteelCarbon Steel Medium Duty Spiral Rings Internal Retaining Rings. Includes AI / WH / AS3217 / RR / MIL-R-27426B1 - Spring Steel
- An expanded range may be available on special order. Please enquire.
- Popular series that will accommodate light and medium bearing series thrust loads.
- Available in military and aerospace specifications.
- Equivalent to Associated Spring: AI, Smalley: WH, Spirolox and Ramsey: RR, Aerospace AS3217, MIL-R-27426B1
Product Data
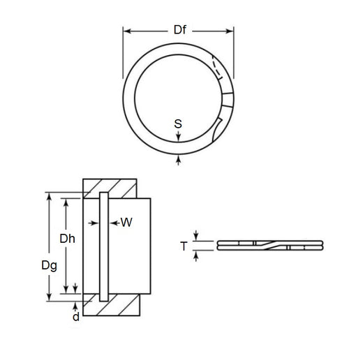
- Housing Bore (B)
:
89.99
mm
(Equiv. 3.543 in.) - Clip Thickness (T)
1.55
mm
+/- 0.08
(Equiv. 0.061 in.) - Groove Dia. (Dg)
92.79
mm
(Equiv. 3.653 in.) - Approx. Loose Circlip OD (Dr) 93.95 mm + 0.76 / - 0.00
- Radial Wall (S) Approx. 5.03 mm +/- 0.13
- Groove Width (W) 1.79 mm +/- 0.16
- Approx. Loose Clip ID 83.89 +/- 0.06
- Groove Depth (d) 1.40
- Material Carbon Spring Steel
Product Compliance and Data
Additional Resources
Cross References
- Associated Spring AI-354
- Smalley RR-354
- Spirolox RR-354
- Smalley WH-354
- Spirolox WH-354
- RR354
- WH354
- AI354


