
Miniature Bearings Australia
RPO-079-080A-SP15 - Datasheet
MBA
Category Information
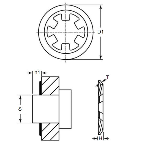
Retaining Rings - Push On - Stainless SteelStainless Steel Push On Retaining Rings. Rotor Clip TY. Stainless Steel hardness HR15N 82.5-86
- An expanded range may be available on special order. Please enquire.
- PH 15-7/17-7 Stainless Steel and 1.4310 Stainless Steel
Product Data
- Min shaft size (s1)
:
7.90
mm
(Equiv. 0.311 in.) - Max Shaft Size (s2)
7.95
mm
(Equiv. 0.313 in.) - Outside diameter (D1)
15.29
mm
(Equiv. 0.602 in.) - Min shaft extension (n1) 1.88 mm
- Material Thickness (t) 0.25 mm
- Approx. Thrust Load 80 kg
- Number of prongs 6
- Approx. Push On Force 22 kg
- Material Stainless Steel Grade PH15-7-17
Product Compliance and Data
Additional Resources
Cross References
- ExaktKey S5821
- NoCor S5821
- Springmaster S5821
- XOSpring S5821


