
Miniature Bearings Australia
HDP060-16F - Datasheet
MBA
Category Information
Pins - Hammer Drive - Flat HeadFlat Head Hammer Drive Pins. Used to replace screws where the need to remove the pin is unlikely.
- Low Carbon Steel (Series HP210) - self-colour, not plated cold formed pin.
- Simple, low cost assembly for use in mild steel, aluminium, brass or plastics.
- Secure - unlike a machine screw, a drive stud does not depend on tightening torque to be retained in the assembly.
- Drive studs do not require lock washers to prevent back-out.
- Designed for standard metric hole sizes and installation by hammer or press. Cold formed pins with helical knurls.
Product Data
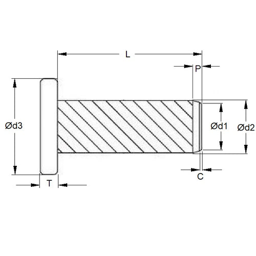
- Min Hole Dia (d1)
:
6.00
mm
(Equiv. 0.236 in.) - Approx. Length (L)
16.0
mm
(Equiv. 0.63 in.) - Max Hole Dia.
6.08
mm
(Equiv. 0.239 in.) - Approx Pin Diameter (d2) 6.35 mm
- Max Head Diameter (d3) 10.80 mm
- Max Head Thickness (T) 2.20 mm
- Nom. Pilot Length (P) 2.0 mm
- Material Carbon Steel
Product Compliance and Data
Additional Resources
Cross References
- DSF6-16
- DSF616


