
Miniature Bearings Australia
REF-064-L-PP-A - Datasheet
MBA
Category Information
Rod Ends - Female - PlasticPlastic Female Rod Ends. Thermoplastic Body / L280(R) Polymer Ball. Also known as Heim Joints
- An expanded range may be available on special order. Please enquire.
- Dimensions not shown are available on request.
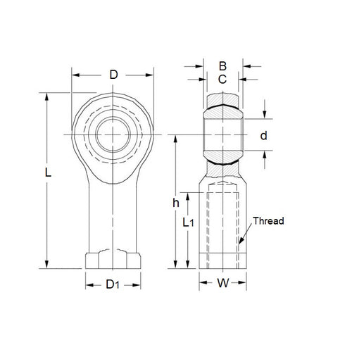
Product Data
- Eye Size (d1)
:
6.350
mm
(Equiv. 0.25 in.) - Overall Length (L)
42.85
mm
(Equiv. 1.687 in.) - Thread Size 1/4-28 UNF Left
- Thread Length (l2) 17.45 mm
- Head Width (W) 9.27 mm
- Eye Width (W1) 6.35 mm
- Head Diameter (D1) 16.67 mm
- Centre Height (l1) 33.32 mm
- Grease Nipple No
- Max Angle of Pivot 25 °
- Max Torque Strength 5.00 n.m
- Body Width/Flange Width(W2/D3) 11.91 / 17.45 mm
- Material Plastic
Product Compliance and Data
Additional Resources
Cross References
- 1064K72-LEFT
- Igus KBLI-04
- 1064K72LEFT
- KBLI04


