
Miniature Bearings Australia
CCE-05080-C-V - Datasheet
MBA
Category Information
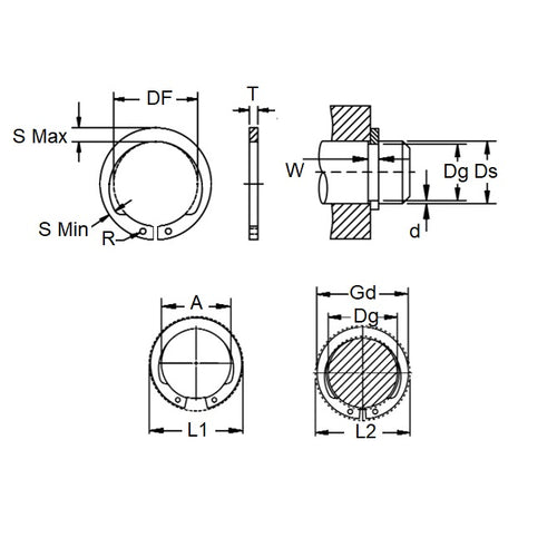
Retaining Rings - External - Circlips - InvertedInverted Circlips External Retaining Rings. N1408 / SHI / 16626 / 4100 / 5108 - Spring Steel and Stainless Steel. Retaining rings. Snap Rings (USA).
- An expanded range may be available on special order. Please enquire.
- Tapered section ring with lugs inverted on the ID to allow use in tight areas with minimal clearance.
- Less thrust load than standard circlips.
Product Data
- Shaft Diameter (Ds)
:
50.80
mm
(Equiv. 2 in.) - Clip Thickness (T)
1.57
mm
+/- 0.127
(Equiv. 0.062 in.) - Groove Dia. (Dg)
47.90
mm
+/- 0.076
(Equiv. 1.886 in.) - Approx. Loose Circlip ID (A) 46.99 mm
- Radial Wall (S) Approx. 2.74 mm
- Groove Width (W) 1.73 mm + 0.10 / - 0.00
- Material Carbon Steel
Product Compliance and Data
Additional Resources
Cross References
- 90213A125
- NoCor SHI-200
- N1408-0200
- N14080200
- SHI200


