
Miniature Bearings Australia
BF0500-0600-0600-BRP - Datasheet
MBA
Category Information
Bushes - Flanged - Brass Graphite PlugBrass Graphite Plug Flanged Bushes. Used for dies, moulds and heavy machinery. Brass Alloy.
- An expanded range may be available on special order. Please enquire.
- High-Tensile Brass Alloy. Suitable for use under conditions of heavy load and low speed operation.
- Solid Lubricant Plugs
- Excellent wear resistance can be exerted at parts with reciprocating motion, frequent starting and stopping, etc., where oil film is difficult to form.
- Class 7 precision ID
- 29N per mm sq max allowable load with max allowable speed 0.5m per second unlubricated and 1m per second lubricated
Product Data
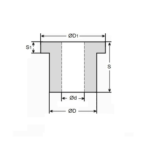
- Nominal Inside Diameter (d)
:
50.000
mm
m6
(Equiv. 1.969 in.) - Nominal Outside Diameter (D)
60.000
mm
m6
(Equiv. 2.362 in.) - Length (s)
60.000
mm
- 0.1 / - 0.3
(Equiv. 2.362 in.) - Flange Thickness (S1) 5.00 mm
- Material Brass with Graphite Plug
Product Compliance and Data
Additional Resources
- DU Bush Material Information
- General Bushes Catalogue
- Sintered Bronze Products Catalogue
- Solid Bronze Bushes catalogue
Cross References
- Misumi C-MUFZ50-60
- CMUFZ5060


