
Miniature Bearings Australia
HDP040-10F - Datasheet
MBA
Category Information
Pins - Hammer Drive - Flat HeadFlat Head Hammer Drive Pins. Used to replace screws where the need to remove the pin is unlikely.
- Low Carbon Steel (Series HP210) - self-colour, not plated cold formed pin.
- Simple, low cost assembly for use in mild steel, aluminium, brass or plastics.
- Secure - unlike a machine screw, a drive stud does not depend on tightening torque to be retained in the assembly.
- Drive studs do not require lock washers to prevent back-out.
- Designed for standard metric hole sizes and installation by hammer or press. Cold formed pins with helical knurls.
Product Data
Deleted Item. Available while stocks last.
Please contact us first if you wish to use this item in a new design so we can check whether production can be resumed.
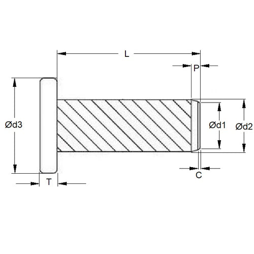
- Min Hole Dia (d1) 
:
4.00
mm
 (Equiv. 0.157 in.)
- Approx. Length (L) 
10.0
mm
 (Equiv. 0.394 in.)
- Max Hole Dia. 
4.08
mm
 (Equiv. 0.161 in.)
- Approx Pin Diameter (d2) 4.35 mm
- Max Head Diameter (d3) 7.25 mm
- Max Head Thickness (T) 1.50 mm
- Nom. Pilot Length (P) 2.0 mm
- Material Carbon Steel
Product Compliance and Data
Additional Resources
Cross References
- DSF4-10
- DSF410
 
 
 


