Miniature Bearings Australia - MBA Minibearings
Miniature Bearings Australia

HDP030-08F - Datasheet

MBA

Category Information

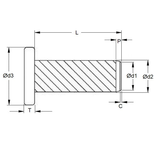
Pins - Hammer Drive - Flat Head

Flat Head Hammer Drive Pins. Used to replace screws where the need to remove the pin is unlikely.

  • Low Carbon Steel (Series HP210) - self-colour, not plated cold formed pin.
  • Simple, low cost assembly for use in mild steel, aluminium, brass or plastics.
  • Secure - unlike a machine screw, a drive stud does not depend on tightening torque to be retained in the assembly.
  • Drive studs do not require lock washers to prevent back-out.
  • Designed for standard metric hole sizes and installation by hammer or press. Cold formed pins with helical knurls.

Product Data

Deleted Item. Available while stocks last.

Please contact us first if you wish to use this item in a new design so we can check whether production can be resumed.

  • Min Hole Dia (d1) : 3.00 mm
    (Equiv. 0.118 in.)
  • Approx. Length (L) 8.0 mm
    (Equiv. 0.315 in.)
  • Max Hole Dia. 3.06 mm
    (Equiv. 0.12 in.)
  • Approx Pin Diameter (d2) 3.35 mm
  • Max Head Diameter (d3) 5.45 mm
  • Max Head Thickness (T) 1.20 mm
  • Nom. Pilot Length (P) 1.0 mm
  • Material Carbon Steel
Country of Origin: GB

Product Compliance and Data

Additional Resources

Cross References

  • DSF3-8
  • DSF38
View full details