
Miniature Bearings Australia
CCE-03493-S15-V - Datasheet
MBA
Category Information
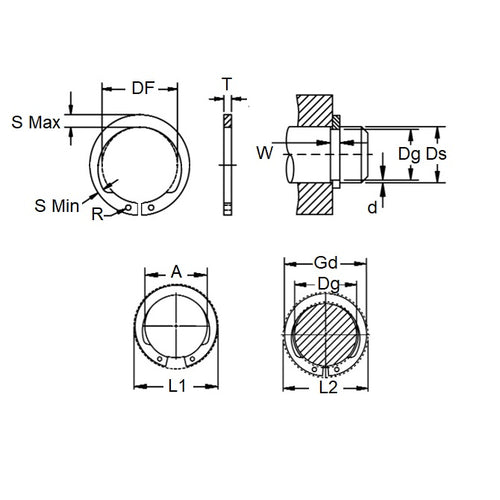
Retaining Rings - External - Circlips - InvertedInverted Circlips External Retaining Rings. N1408 / SHI / 16626 / 4100 / 5108 - Spring Steel and Stainless Steel. Retaining rings. Snap Rings (USA).
- An expanded range may be available on special order. Please enquire.
- Tapered section ring with lugs inverted on the ID to allow use in tight areas with minimal clearance.
- Less thrust load than standard circlips.
Product Data
- Shaft Diameter (Ds)
:
34.93
mm
(Equiv. 1.375 in.) - Clip Thickness (T)
1.27
mm
+/- 0.102
(Equiv. 0.05 in.) - Groove Dia. (Dg)
32.79
mm
+/- 0.051
(Equiv. 1.291 in.) - Approx. Loose Circlip ID (A) 32.31 mm
- Radial Wall (S) Approx. 2.08 mm
- Groove Width (W) 1.42 mm + 0.10 / - 0.00
- Material Stainless Steel Grade PH15-7 Mo
Product Compliance and Data
Additional Resources
Cross References
- NoCor SHI-137-SS
- N1408-0137KSF
- N14080137KSF
- SHI137SS


