
Miniature Bearings Australia
RR-106 - Datasheet
MBA
Category Information
Retaining Rings - Internal - Spiral Rings - Medium Duty - Carbon SteelCarbon Steel Medium Duty Spiral Rings Internal Retaining Rings. Includes AI / WH / AS3217 / RR / MIL-R-27426B1 - Spring Steel
- An expanded range may be available on special order. Please enquire.
- Popular series that will accommodate light and medium bearing series thrust loads.
- Available in military and aerospace specifications.
- Equivalent to Associated Spring: AI, Smalley: WH, Spirolox and Ramsey: RR, Aerospace AS3217, MIL-R-27426B1
Product Data
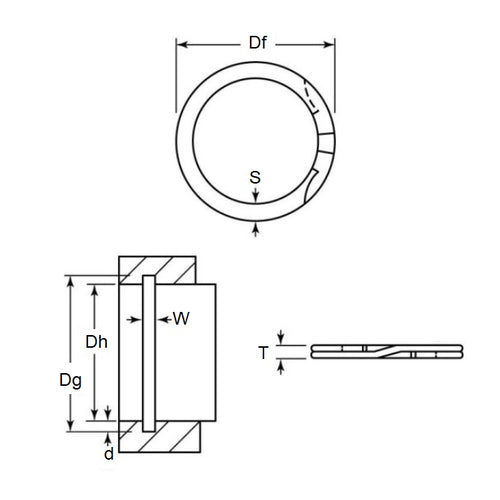
- Housing Bore (B)
:
26.97
mm
(Equiv. 1.062 in.) - Clip Thickness (T)
0.94
mm
+/- 0.05
(Equiv. 0.037 in.) - Groove Dia. (Dg)
28.04
mm
(Equiv. 1.104 in.) - Approx. Loose Circlip OD (Dr) 28.16 mm + 0.38 / - 0.00
- Radial Wall (S) Approx. 1.91 mm +/- 0.11
- Groove Width (W) 1.11 mm +/- 0.10
- Approx. Loose Clip ID 24.34 +/- 0.03
- Groove Depth (d) 0.53
- Material Carbon Spring Steel
Product Compliance and Data
Additional Resources
Cross References
- Associated Spring AI-106
- Smalley WH-106
- Spirolox WH-106
- WH106
- AI106


