
Miniature Bearings Australia
BF0200-0240-0300-BRP - Datasheet
MBA
Category Information
Bushes - Flanged - Brass Graphite PlugBrass Graphite Plug Flanged Bushes. Used for dies, moulds and heavy machinery. Brass Alloy.
- An expanded range may be available on special order. Please enquire.
- High-Tensile Brass Alloy. Suitable for use under conditions of heavy load and low speed operation.
- Solid Lubricant Plugs
- Excellent wear resistance can be exerted at parts with reciprocating motion, frequent starting and stopping, etc., where oil film is difficult to form.
- Class 7 precision ID
- 29N per mm sq max allowable load with max allowable speed 0.5m per second unlubricated and 1m per second lubricated
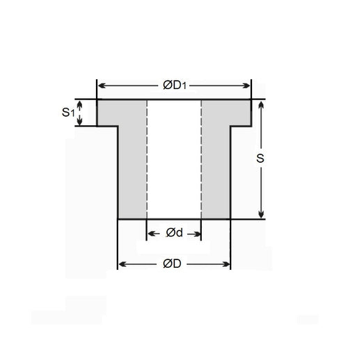
Product Data
- Nominal Inside Diameter (d)
:
20.000
mm
+ 0.040 / + 0.061
(Equiv. 0.787 in.) - Nominal Outside Diameter (D)
24.000
mm
+ 0.028 / + 0.041
(Equiv. 0.945 in.) - Length (s)
30.000
mm
- 0.1 / - 0.3
(Equiv. 1.181 in.) - Flange OD (D1) 32.00 mm
- Flange Thickness (S1) 4.00 mm
- Material Brass with Graphite Plug
Product Compliance and Data
Additional Resources
- DU Bush Material Information
- General Bushes Catalogue
- Sintered Bronze Products Catalogue
- Solid Bronze Bushes catalogue
Cross References
- Misumi C-MUFZU20-30
- CMUFZU2030


