
Miniature Bearings Australia
REF-160-R-PP - Datasheet
MBA
Category Information
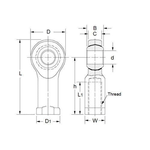
Rod Ends - Female - PlasticPlastic Female Rod Ends. Thermoplastic Body / L280(R) Polymer Ball. Also known as Heim Joints
- An expanded range may be available on special order. Please enquire.
- Dimensions not shown are available on request.
Product Data
- Eye Size (d1)
:
16.000
mm
(Equiv. 0.63 in.) - Overall Length (L)
85.00
mm
(Equiv. 3.346 in.) - Thread Size M16x2 Right
- Thread Length (l2) 28.00 mm
- Head Width (W) 15.00 mm
- Eye Width (W1) 21.00 mm
- Head Diameter (D1) 42.00 mm
- Centre Height (l1) 64.00 mm
- Grease Nipple No
- Max Angle of Pivot 23 °
- Max Torque Strength 40.00 n.m
- Body Width/Flange Width(W2/D3) 22.00 / 27.00 mm
- Material Plastic
Product Compliance and Data
Additional Resources
Cross References
- KBRM16
- KBRM-16
- I-542
- I542
- S62GFRM1621R


