
Miniature Bearings Australia
RR-600 - Datasheet
MBA
Category Information
Retaining Rings - Internal - Spiral Rings - Medium Duty - Carbon SteelCarbon Steel Medium Duty Spiral Rings Internal Retaining Rings. Includes AI / WH / AS3217 / RR / MIL-R-27426B1 - Spring Steel
- An expanded range may be available on special order. Please enquire.
- Popular series that will accommodate light and medium bearing series thrust loads.
- Available in military and aerospace specifications.
- Equivalent to Associated Spring: AI, Smalley: WH, Spirolox and Ramsey: RR, Aerospace AS3217, MIL-R-27426B1
Product Data
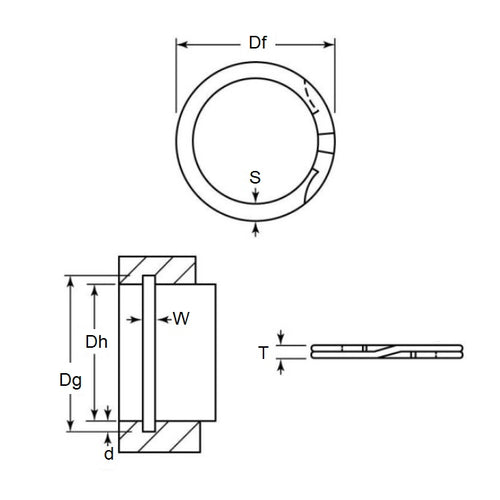
- Housing Bore (B)
:
152.40
mm
(Equiv. 6 in.) - Clip Thickness (T)
1.83
mm
+/- 0.10
(Equiv. 0.072 in.) - Groove Dia. (Dg)
156.29
mm
(Equiv. 6.153 in.) - Approx. Loose Circlip OD (Dr) 159.11 mm + 1.14 / - 0.00
- Radial Wall (S) Approx. 6.35 mm +/- 0.13
- Groove Width (W) 2.07 mm +/- 0.17
- Approx. Loose Clip ID 146.41 +/- 0.06
- Material Carbon Spring Steel
Product Compliance and Data
Additional Resources
Cross References
- Associated Spring AI-600
- Smalley RR-600
- Spirolox RR-600
- Smalley WH-600
- Spirolox WH-600
- RR600
- WH600
- AI600


