Miniature Bearings Australia - MBA Minibearings
Miniature Bearings Australia

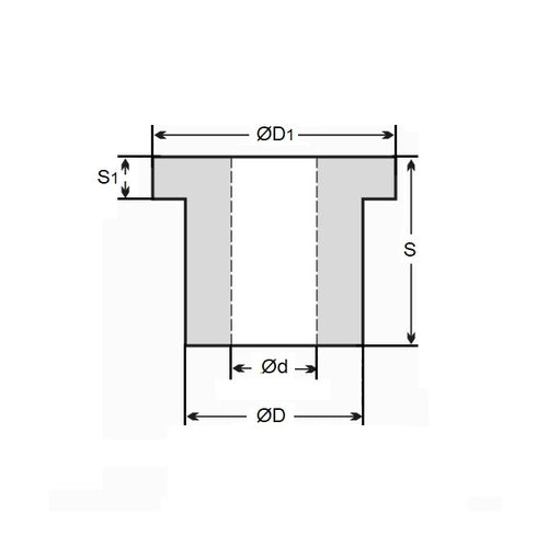
BF0150-0180-0200-BRP - Datasheet

MBA

Category Information

Bushes - Flanged - Brass Graphite Plug

Brass Graphite Plug Flanged Bushes. Used for dies, moulds and heavy machinery. Brass Alloy.

  • An expanded range may be available on special order. Please enquire.
  • High-Tensile Brass Alloy. Suitable for use under conditions of heavy load and low speed operation.
  • Solid Lubricant Plugs
  • Excellent wear resistance can be exerted at parts with reciprocating motion, frequent starting and stopping, etc., where oil film is difficult to form.
  • Class 7 precision ID
  • 29N per mm sq max allowable load with max allowable speed 0.5m per second unlubricated and 1m per second lubricated

Product Data

  • Nominal Inside Diameter (d) : 15.000 mm + 0.032 / + 0.050
    (Equiv. 0.591 in.)
  • Nominal Outside Diameter (D) 18.000 mm + 0.023 / + 0.034
    (Equiv. 0.709 in.)
  • Length (s) 20.000 mm - 0.1 / - 0.3
    (Equiv. 0.787 in.)
  • Flange OD (D1) 24.00 mm
  • Flange Thickness (S1) 3.00 mm
  • Material Brass with Graphite Plug
Country of Origin: JP

Product Compliance and Data

Additional Resources

Cross References

  • Misumi C-MUFZU15-20
  • CMUFZU1520
View full details