
Miniature Bearings Australia
RR-500 - Datasheet
MBA
Category Information
Retaining Rings - Internal - Spiral Rings - Medium Duty - Carbon SteelCarbon Steel Medium Duty Spiral Rings Internal Retaining Rings. Includes AI / WH / AS3217 / RR / MIL-R-27426B1 - Spring Steel
- An expanded range may be available on special order. Please enquire.
- Popular series that will accommodate light and medium bearing series thrust loads.
- Available in military and aerospace specifications.
- Equivalent to Associated Spring: AI, Smalley: WH, Spirolox and Ramsey: RR, Aerospace AS3217, MIL-R-27426B1
Product Data
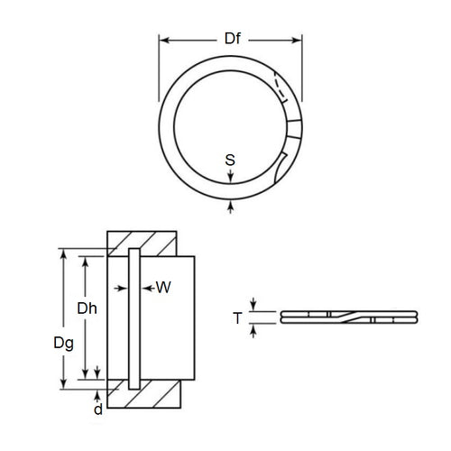
- Housing Bore (B)
:
127.00
mm
(Equiv. 5 in.) - Clip Thickness (T)
1.83
mm
+/- 0.10
(Equiv. 0.072 in.) - Groove Dia. (Dg)
130.66
mm
(Equiv. 5.144 in.) - Approx. Loose Circlip OD (Dr) 132.59 mm + 0.89 / - 0.00
- Radial Wall (S) Approx. 6.35 mm +/- 0.13
- Groove Width (W) 2.07 mm +/- 0.15
- Approx. Loose Clip ID 119.89 +/- 0.06
- Material Carbon Spring Steel
Product Compliance and Data
Additional Resources
Cross References
- Associated Spring AI-500
- Smalley RR-500
- Spirolox RR-500
- Smalley WH-500
- Spirolox WH-500
- RR500
- WH500
- AI500


