
Miniature Bearings Australia
REF-111-R-PP - Datasheet
MBA
Category Information
Rod Ends - Female - PlasticPlastic Female Rod Ends. Thermoplastic Body / L280(R) Polymer Ball. Also known as Heim Joints
- An expanded range may be available on special order. Please enquire.
- Dimensions not shown are available on request.
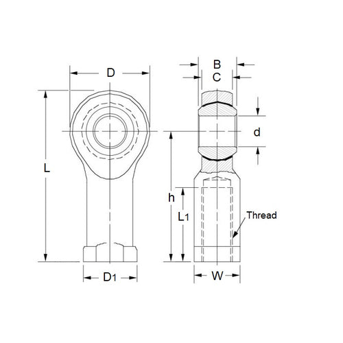
Product Data
- Eye Size (d1)
:
11.113
mm
(Equiv. 0.438 in.) - Overall Length (L)
60.30
mm
(Equiv. 2.374 in.) - Thread Size 7/16-20 UNF Right
- Thread Length (l2) 23.80 mm
- Head Width (W) 10.31 mm
- Eye Width (W1) 14.27 mm
- Head Diameter (D1) 23.02 mm
- Centre Height (l1) 46.02 mm
- Grease Nipple No
- Max Angle of Pivot 22 °
- Max Torque Strength 18.00 n.m
- Body Width/Flange Width(W2/D3) 19.05 / 23.80 mm
- Material Plastic
Product Compliance and Data
Additional Resources
Cross References
- 1064K75-RIGHT
- Igus KBRI-07
- 1064K75RIGHT
- KBRI07
- I-508
- I508


