
Miniature Bearings Australia
CCE-10001-C-V - Datasheet
MBA
Category Information
Retaining Rings - External - Circlips - InvertedInverted Circlips External Retaining Rings. N1408 / SHI / 16626 / 4100 / 5108 - Spring Steel and Stainless Steel. Retaining rings. Snap Rings (USA).
- An expanded range may be available on special order. Please enquire.
- Tapered section ring with lugs inverted on the ID to allow use in tight areas with minimal clearance.
- Less thrust load than standard circlips.
Product Data
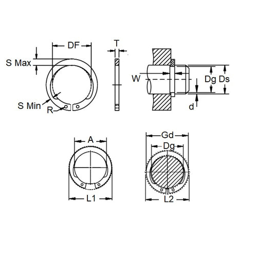
- Shaft Diameter (Ds)
:
100.01
mm
(Equiv. 3.937 in.) - Clip Thickness (T)
2.77
mm
+/- 0.152
(Equiv. 0.109 in.) - Groove Dia. (Dg)
94.84
mm
+/- 0.076
(Equiv. 3.734 in.) - Approx. Loose Circlip ID (A) 92.51 mm
- Radial Wall (S) Approx. 4.65 mm
- Groove Width (W) 3.05 mm + 0.13 / - 0.00
- Tool PRS-E120-X
- Material Carbon Steel
Product Compliance and Data
Additional Resources
Cross References
- NoCor SHI-393
- N1408-0393
- N14080393
- SHI393


