
Miniature Bearings Australia
SPF3SRS - Datasheet
MBA
Category Information
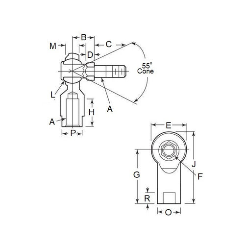
Rod Ends - Female - Steel - Studded - Nylon SeatNylon Seat Studded Steel Female Rod Ends. Housing is plated and dichromate treated steel.
- An expanded range may be available on special order. Please enquire.
- Ball is case hardened and plated
- Stud is permanently affixed and made from heat treated alloy steel, zinc plated.
Product Data
Deleted Item. Available while stocks last.
Please contact us first if you wish to use this item in a new design so we can check whether production can be resumed.
- Thread Size : 4.764
- Thread Length (H)
14.28
mm
(Equiv. 0.562 in.) - Thread Length (C)
11.10
mm
(Equiv. 0.437 in.) - Head Diameter (E) 15.88 mm
- Centre Height (G) 26.98 mm
- Top Width (M) 6.35 mm
- Ball Width (L) 7.93 mm
- Base Width 10.31 mm
- Base Length (P) 7.93 mm
- Material Steel with Nylon Seat
Product Compliance and Data
Additional Resources
Cross References
- SPF-3S
- SPF3S


