
Miniature Bearings Australia
SUG-501RS - Datasheet
MBA
Category Information
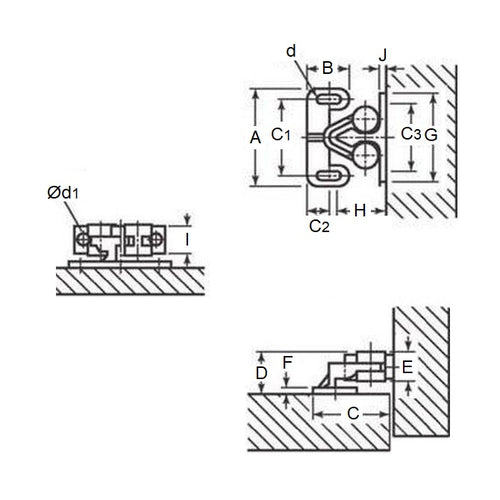
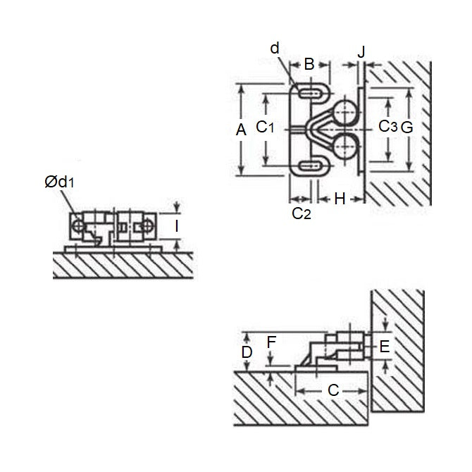
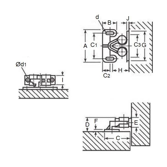
Catches - RotaryRotary Catches. Polyacetal catch and strike with polyethylene rollers. Ideal in corrosive environments.
Product Data
- Colour : White
- Catch Length (A)
31.35
mm
(Equiv. 1.234 in.) - Catch Width (B)
14
mm
(Equiv. 0.551 in.) - Overall Width (C) 27.2 mm
- Overall Height (D) 12.6 mm
- Strike Width (E) 9 mm
- F 2.29 mm
- Mounting Hole Distances (C1) 24.4 mm
- Mounting Hole Centres (C2) 7.5 mm
- Strike Width (G) 32 mm
Product Compliance and Data
Additional Resources


