
Miniature Bearings Australia
KM44 - Datasheet
MBA
Category Information
Nuts - Bearing Locknuts - Right Hand Thread - Standard AN-KM SeriesStandard AN-KM Series Right Hand Thread Bearing Locknuts Nuts. This is the main category in this series
Product Data
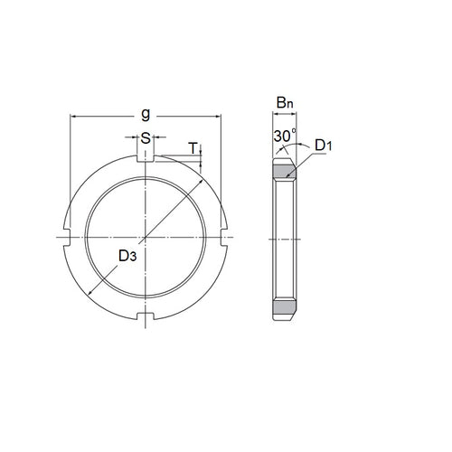
- Shaft Thread Diameter : TM220x4
- Outside Dia (OD)
280
mm
(Equiv. 11.024 in.) - Thickness (T) min / max
32.000
mm
(Equiv. 1.26 in.) - Slot Width (s) 20.000
- Slot Depth (T) 10.000
- Material Steel
Product Compliance and Data
Additional Resources
View full details


