
Miniature Bearings Australia
SS160M-0200-S6 - Datasheet
MBA
Category Information
Socket Set Screws - Standard Cup Point - 316 Stainless Steel DIN916316 Stainless Steel DIN916 Standard Cup Point Socket Set Screws. Standard grub screws. UNC - UNF - BA - METRIC.
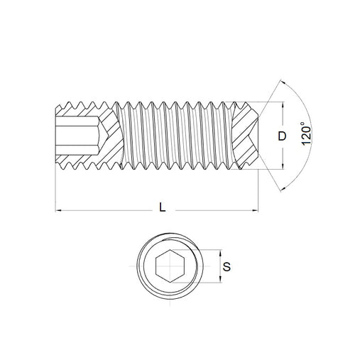
- Socket driven grub screw with a standard cup point.
Product Data
- Thread Size : M16 (16x2mm)
- Thread Length (L)
20.0
mm
(Equiv. 0.787 in.) - Type Standard Cup Point
- Hex Key Size 8.00 mm
- Pitch 2.000 mm
- Threads Per Inch 12.7 TPI
- Material Stainless Steel 316 (Similar to A4, 18-10)
Product Compliance and Data
Additional Resources
- Screws & Nuts Catalogue
- Shoulder Screws Catalogue
- Socket Set (Grub) Screws Catalogue
- Thumb Screws & Thumb Nuts Catalogue
- Thread Size Chart - Combined Imperial & Metric
Cross References
- Brighton Best M16x20SSC6


