
Miniature Bearings Australia
WRI-0476-LS-N - Datasheet
MBA
Category Information
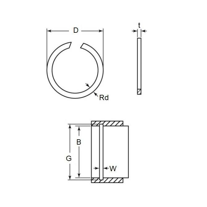
Retaining Rings - Internal - Snap Rings - Basic Carbon SteelBasic Carbon Steel Snap Rings Internal Retaining Rings. M2300 / SB / ESB Snaprings. Like an internal circlip without the lugs.
- An expanded range may be available on special order. Please enquire.
- Applications include gear systems, securing needle bearings and to act as spacers.
- Used on the inside bore diameter of a housing or similar
Product Data
- Housing Bore (B)
:
47.63
mm
(Equiv. 1.875 in.) - Clip Thickness (T)
1.58
mm
+/- 0.05
(Equiv. 0.062 in.) - Groove Dia. (Dg)
50.52
mm
+/- 0.13
(Equiv. 1.989 in.) - Approx. Loose Circlip OD (Dr) 51.16 mm + 1.80 / - 0.00
- Section (Rd) 3.96 mm +/- 0.13
- Groove Width (W) 1.73 mm
- Approx. Loose Clip ID 43.24
- Info Notched
- Section Profile Rectangular with Square Edge
- Material Carbon Spring Steel
Product Compliance and Data
Additional Resources
Cross References
- NoCor UHO-187
- UHO187
- WRI0476SRN


