
Miniature Bearings Australia
WRE-0900-LS-H - Datasheet
MBA
Category Information
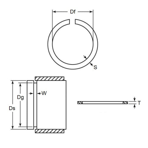
Retaining Rings - External - Snap Rings - Carbon SteelCarbon Steel Snap Rings External Retaining Rings. Includes series M3200 / SP / ESP / M2400 / SW snaprings. Similar to a circlip without the lugs.
- An expanded range may be available on special order. Please enquire.
- Carbon sping steel
- Used on the outside diameter of a bearing, shaft or similar equipment
Product Data
- Shaft or Bearing OD (d1)
:
89.99
mm
(Equiv. 3.543 in.) - Clip Thickness (T)
2.77
mm
+/- 0.05
(Equiv. 0.109 in.) - Groove Dia. (Dg)
85.88
mm
+/- 0.15
(Equiv. 3.381 in.) - Approx. Loose Circlip ID (A) 84.99 mm + 0.00 / - 2.00
- Radial Wall (S) Approx. 6.35 mm +/- 0.13
- Groove Width (W) 3.05 mm
- Approx. Loose Clip OD 97.69
- Info Basic
- Section Profile Rectangular with Square Edge
- Material Carbon Spring Steel
Product Compliance and Data
Additional Resources
Cross References
- NoCor USC-354
- Rotorclip USC-354
- Eaton XAN-354
- USC354
- WRE0900SRH
- XAN354


