
Miniature Bearings Australia
WRE-0087-LS-L - Datasheet
MBA
Category Information
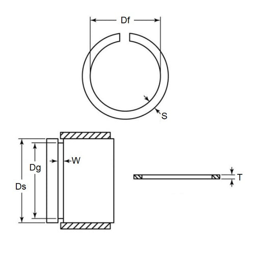
Retaining Rings - External - Snap Rings - Carbon SteelCarbon Steel Snap Rings External Retaining Rings. Includes series M3200 / SP / ESP / M2400 / SW snaprings. Similar to a circlip without the lugs.
- An expanded range may be available on special order. Please enquire.
- Carbon sping steel
- Used on the outside diameter of a bearing, shaft or similar equipment
Product Data
- Shaft or Bearing OD (d1)
:
8.74
mm
(Equiv. 0.344 in.) - Clip Thickness (T)
0.64
mm
+/- 0.03
(Equiv. 0.025 in.) - Groove Dia. (Dg)
8.23
mm
(Equiv. 0.324 in.) - Approx. Loose Circlip ID (A) 8.18 mm + 0.00 / - 0.49
- Radial Wall (S) Approx. 1.02 mm
- Groove Width (W) 0.71 mm
- Approx. Loose Clip OD 10.22
- Section Profile Rectangular with Square Edge
- Material Carbon Spring Steel
Product Compliance and Data
Additional Resources
Cross References
- Arcon TRC-034
- NoCor TRC-034
- A0500-034
- A0500034
- TRC034
- WRE0087SRL


