
Miniature Bearings Australia
WRE-0079-LS-L - Datasheet
MBA
Category Information
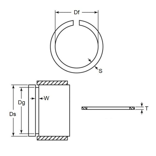
Retaining Rings - External - Snap Rings - Carbon SteelCarbon Steel Snap Rings External Retaining Rings. Includes series M3200 / SP / ESP / M2400 / SW snaprings. Similar to a circlip without the lugs.
- An expanded range may be available on special order. Please enquire.
- Carbon sping steel
- Used on the outside diameter of a bearing, shaft or similar equipment
Product Data
- Shaft or Bearing OD (d1)
:
7.93
mm
(Equiv. 0.312 in.) - Clip Thickness (T)
0.64
mm
+/- 0.03
(Equiv. 0.025 in.) - Groove Dia. (Dg)
7.42
mm
(Equiv. 0.292 in.) - Approx. Loose Circlip ID (A) 7.37 mm + 0.00 / - 0.44
- Radial Wall (S) Approx. 1.02 mm
- Groove Width (W) 0.71 mm
- Approx. Loose Clip OD 9.41
- Section Profile Rectangular with Square Edge
- Material Carbon Spring Steel
Product Compliance and Data
Additional Resources
Cross References
- Arcon TRC-031
- NoCor TRC-031
- A0500031
- A0500-031
- TRC031
- WRE0079SRL


