
Miniature Bearings Australia
WRE-0680-LR - Datasheet
MBA
Category Information
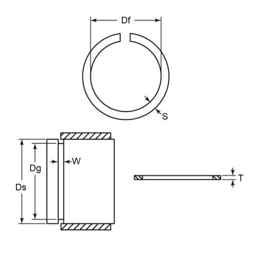
Retaining Rings - External - Snap Rings - Carbon SteelCarbon Steel Snap Rings External Retaining Rings. Includes series M3200 / SP / ESP / M2400 / SW snaprings. Similar to a circlip without the lugs.
- An expanded range may be available on special order. Please enquire.
- Carbon sping steel
- Used on the outside diameter of a bearing, shaft or similar equipment
Product Data
- Shaft or Bearing OD (d1)
:
68.00
mm
(Equiv. 2.677 in.) - Clip Thickness (T)
1.70
mm
+ 0 / - 0.10
(Equiv. 0.067 in.) - Groove Dia. (Dg)
64.82
mm
+ 0 / - 0.50
(Equiv. 2.552 in.) - Approx. Loose Circlip ID (A) 64.20 mm
- Radial Wall (S) Approx. 4.85 mm + 0 / - 0.10
- Groove Width (W) 2.20 mm
- Approx. Loose Clip OD 73.9
- Info Radiused Edge
- Section Profile Rectangular with Radiused Edge
- Material Carbon Spring Steel
Product Compliance and Data
Additional Resources
Cross References
- NoCor DSP-068
- Seeger M3200-0680
- Seeger SP-068
- FAG SP68
- Seeger SP68
- SP068
- DSP068
- WRE0680SR
- M32000680


