
Miniature Bearings Australia
WRE-0056-SQ-O - Datasheet
MBA
Category Information
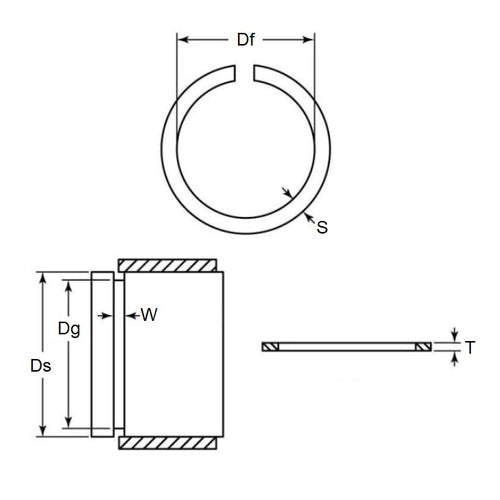
Retaining Rings - External - Snap Rings - Carbon SteelCarbon Steel Snap Rings External Retaining Rings. Includes series M3200 / SP / ESP / M2400 / SW snaprings. Similar to a circlip without the lugs.
- An expanded range may be available on special order. Please enquire.
- Carbon sping steel
- Used on the outside diameter of a bearing, shaft or similar equipment
Product Data
- Shaft or Bearing OD (d1)
:
5.56
mm
(Equiv. 0.219 in.) - Clip Thickness (T)
0.64
mm
+/- 0.08
(Equiv. 0.025 in.) - Groove Dia. (Dg)
5.26
mm
+ 0.10 / - 0.00
(Equiv. 0.207 in.) - Approx. Loose Circlip ID (A) 5.16 mm + 0.00 / - 2.00
- Radial Wall (S) Approx. 0.64 mm +/- 0.08
- Groove Width (W) 0.74 mm
- Approx. Loose Clip OD 6.44
- Info Radial Assembly - Open Gap
- Section Profile Square Section
- Material Carbon Spring Steel
Product Compliance and Data
Additional Resources
Cross References
- Eaton 400-2135
- Arcon CSO-2135
- NoCor XSO-2135
- A06002135
- A0600-2135
- CSO2135
- XSO2135
- 4002135


