
Miniature Bearings Australia
WRE-0056-LS - Datasheet
MBA
Category Information
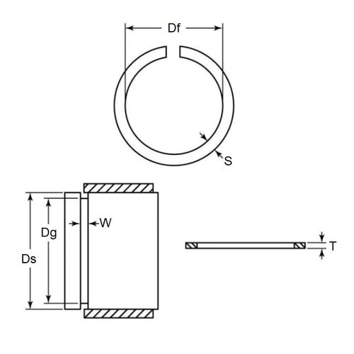
Retaining Rings - External - Snap Rings - Carbon SteelCarbon Steel Snap Rings External Retaining Rings. Includes series M3200 / SP / ESP / M2400 / SW snaprings. Similar to a circlip without the lugs.
- An expanded range may be available on special order. Please enquire.
- Carbon sping steel
- Used on the outside diameter of a bearing, shaft or similar equipment
Product Data
- Shaft or Bearing OD (d1)
:
5.56
mm
(Equiv. 0.219 in.) - Clip Thickness (T)
0.38
mm
+/- 0.02
(Equiv. 0.015 in.) - Groove Dia. (Dg)
5.11
mm
(Equiv. 0.201 in.) - Approx. Loose Circlip ID (A) 5.21 mm + 0.00 / - 0.31
- Radial Wall (S) Approx. 0.64 mm
- Groove Width (W) 0.43 mm
- Approx. Loose Clip OD 6.49
- Section Profile Rectangular with Square Edge
- Material Carbon Spring Steel
Product Compliance and Data
Additional Resources
Cross References
- Arcon TRC-021
- NoCor TRC-021
- A0500-021
- A0500021
- TRC021
- WRE0056SR


