
Miniature Bearings Australia
WRE-0560-LR - Datasheet
MBA
Category Information
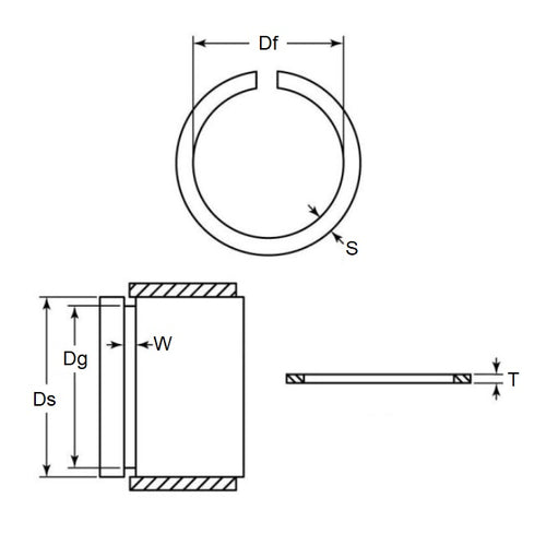
Retaining Rings - External - Snap Rings - Carbon SteelCarbon Steel Snap Rings External Retaining Rings. Includes series M3200 / SP / ESP / M2400 / SW snaprings. Similar to a circlip without the lugs.
- An expanded range may be available on special order. Please enquire.
- Carbon sping steel
- Used on the outside diameter of a bearing, shaft or similar equipment
Product Data
- Shaft or Bearing OD (d1)
:
56.00
mm
(Equiv. 2.205 in.) - Clip Thickness (T)
1.12
mm
+ 0 / - 0.10
(Equiv. 0.044 in.) - Groove Dia. (Dg)
53.60
mm
+ 0 / - 0.25
(Equiv. 2.11 in.) - Approx. Loose Circlip ID (A) 53.20 mm
- Radial Wall (S) Approx. 4.04 mm + 0 / - 0.10
- Groove Width (W) 1.65 mm
- Approx. Loose Clip OD 61.28
- Info Radiused Edge
- Section Profile Rectangular with Radiused Edge
- Material Carbon Spring Steel
Product Compliance and Data
Additional Resources
Cross References
- NoCor DSP-056
- Seeger M3200-0560
- Seeger M3200-0560APP
- Seeger SP-056
- FAG SP56
- Seeger SP56
- SP056
- DSP056
- WRE0560SR
- M32000560
- M32000560APP


