
Miniature Bearings Australia
WRE-0048-SQ-HC - Datasheet
MBA
Category Information
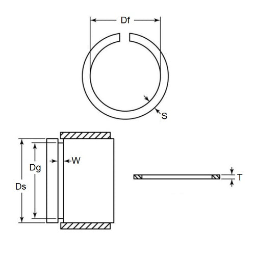
Retaining Rings - External - Snap Rings - Carbon SteelCarbon Steel Snap Rings External Retaining Rings. Includes series M3200 / SP / ESP / M2400 / SW snaprings. Similar to a circlip without the lugs.
- An expanded range may be available on special order. Please enquire.
- Carbon sping steel
- Used on the outside diameter of a bearing, shaft or similar equipment
Product Data
- Shaft or Bearing OD (d1)
:
4.78
mm
(Equiv. 0.188 in.) - Clip Thickness (T)
0.64
mm
+/- 0.05
(Equiv. 0.025 in.) - Groove Dia. (Dg)
4.47
mm
+ 0.08 / - 0.00
(Equiv. 0.176 in.) - Approx. Loose Circlip ID (A) 4.39 mm + 0.00 / - 0.50
- Radial Wall (S) Approx. 0.64 mm +/- 0.05
- Groove Width (W) 0.74 mm
- Approx. Loose Clip OD 5.67
- Info Axial Assembly - Closed Gap
- Section Profile Square Section
- Material Carbon Spring Steel
Product Compliance and Data
Additional Resources
Cross References
- Eaton 300-113
- Arcon XSC-113
- NoCor XSC-113
- A0700113
- A0700-113
- 300113
- XSC113


