
Miniature Bearings Australia
WRE-0492-LS-L - Datasheet
MBA
Category Information
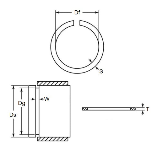
Retaining Rings - External - Snap Rings - Carbon SteelCarbon Steel Snap Rings External Retaining Rings. Includes series M3200 / SP / ESP / M2400 / SW snaprings. Similar to a circlip without the lugs.
- An expanded range may be available on special order. Please enquire.
- Carbon sping steel
- Used on the outside diameter of a bearing, shaft or similar equipment
Product Data
- Shaft or Bearing OD (d1)
:
49.20
mm
(Equiv. 1.937 in.) - Clip Thickness (T)
1.07
mm
+/- 0.05
(Equiv. 0.042 in.) - Groove Dia. (Dg)
47.17
mm
+/- 0.15
(Equiv. 1.857 in.) - Approx. Loose Circlip ID (A) 46.53 mm - 0.00 / + 1.60
- Radial Wall (S) Approx. 3.96 mm +/- 0.13
- Groove Width (W) 1.17 mm
- Approx. Loose Clip OD 54.45
- Info Light Duty
- Section Profile Rectangular with Square Edge
- Material Carbon Spring Steel
Product Compliance and Data
Additional Resources
Cross References
- Eaton XD-193
- NoCor XD-193
- XD193
- WRE0492SRL


