
Miniature Bearings Australia
WRE-0429-LS-L - Datasheet
MBA
Category Information
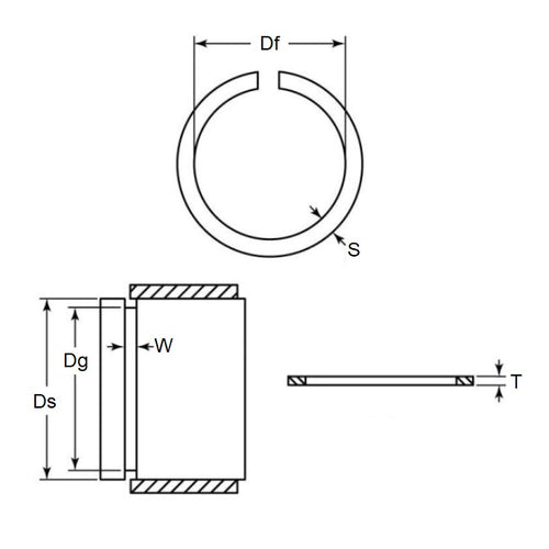
Retaining Rings - External - Snap Rings - Carbon SteelCarbon Steel Snap Rings External Retaining Rings. Includes series M3200 / SP / ESP / M2400 / SW snaprings. Similar to a circlip without the lugs.
- An expanded range may be available on special order. Please enquire.
- Carbon sping steel
- Used on the outside diameter of a bearing, shaft or similar equipment
Product Data
- Shaft or Bearing OD (d1)
:
42.85
mm
(Equiv. 1.687 in.) - Clip Thickness (T)
1.07
mm
+/- 0.05
(Equiv. 0.042 in.) - Groove Dia. (Dg)
40.82
mm
+/- 0.10
(Equiv. 1.607 in.) - Approx. Loose Circlip ID (A) 40.18 mm - 0.00 / + 1.60
- Radial Wall (S) Approx. 3.96 mm +/- 0.13
- Groove Width (W) 1.17 mm
- Approx. Loose Clip OD 48.1
- Info Light Duty
- Section Profile Rectangular with Square Edge
- Material Carbon Spring Steel
Product Compliance and Data
Additional Resources
Cross References
- Eaton XD-168
- NoCor XD-168
- WRE0429SRL
- XD168


