
Miniature Bearings Australia
WRE-0365-SQ-O - Datasheet
MBA
Category Information
Retaining Rings - External - Snap Rings - Carbon SteelCarbon Steel Snap Rings External Retaining Rings. Includes series M3200 / SP / ESP / M2400 / SW snaprings. Similar to a circlip without the lugs.
- An expanded range may be available on special order. Please enquire.
- Carbon sping steel
- Used on the outside diameter of a bearing, shaft or similar equipment
Product Data
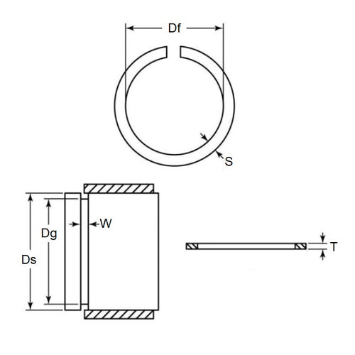
- Shaft or Bearing OD (d1)
:
36.53
mm
(Equiv. 1.438 in.) - Clip Thickness (T)
3.05
mm
+/- 0.08
(Equiv. 0.12 in.) - Groove Dia. (Dg)
34.98
mm
+ 0.08 / - 0.00
(Equiv. 1.377 in.) - Approx. Loose Circlip ID (A) 34.65 mm + 0.00 / - 1.20
- Radial Wall (S) Approx. 3.05 mm +/- 0.08
- Groove Width (W) 3.25 mm
- Approx. Loose Clip OD 40.75
- Info Radial Assembly - Open Gap
- Section Profile Square Section
- Material Carbon Spring Steel
Product Compliance and Data
Additional Resources
Cross References
- Eaton 400-252
- Arcon CSO-252
- NoCor XSO-252
- A0600-252
- A0600252
- CSO252
- XSO252
- 400252


