
Miniature Bearings Australia
WRE-0349-SQ-HC - Datasheet
MBA
Category Information
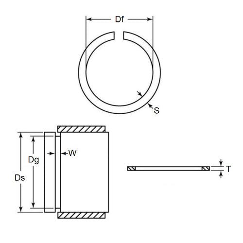
Retaining Rings - External - Snap Rings - Carbon SteelCarbon Steel Snap Rings External Retaining Rings. Includes series M3200 / SP / ESP / M2400 / SW snaprings. Similar to a circlip without the lugs.
- An expanded range may be available on special order. Please enquire.
- Carbon sping steel
- Used on the outside diameter of a bearing, shaft or similar equipment
Product Data
- Shaft or Bearing OD (d1)
:
34.93
mm
(Equiv. 1.375 in.) - Clip Thickness (T)
4.37
mm
+/- 0.08
(Equiv. 0.172 in.) - Groove Dia. (Dg)
32.74
mm
+ 0.08 / - 0.00
(Equiv. 1.289 in.) - Approx. Loose Circlip ID (A) 32.41 mm + 0.00 / - 1.20
- Radial Wall (S) Approx. 4.37 mm +/- 0.08
- Groove Width (W) 4.57 mm
- Approx. Loose Clip OD 41.15
- Info Axial Assembly - Closed Gap
- Section Profile Square Section
- Material Carbon Spring Steel
Product Compliance and Data
Additional Resources
Cross References
- Eaton 300-151
- Arcon XSC-151
- NoCor XSC-151
- A0700-151
- A0700151
- 300151
- XSC151


