
Miniature Bearings Australia
WRE-0333-SQ-HC - Datasheet
MBA
Category Information
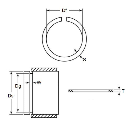
Retaining Rings - External - Snap Rings - Carbon SteelCarbon Steel Snap Rings External Retaining Rings. Includes series M3200 / SP / ESP / M2400 / SW snaprings. Similar to a circlip without the lugs.
- An expanded range may be available on special order. Please enquire.
- Carbon sping steel
- Used on the outside diameter of a bearing, shaft or similar equipment
Product Data
- Shaft or Bearing OD (d1)
:
33.33
mm
(Equiv. 1.312 in.) - Clip Thickness (T)
3.96
mm
+/- 0.08
(Equiv. 0.156 in.) - Groove Dia. (Dg)
31.34
mm
+ 0.08 / - 0.00
(Equiv. 1.234 in.) - Approx. Loose Circlip ID (A) 31.04 mm + 0.00 / - 1.20
- Radial Wall (S) Approx. 3.96 mm +/- 0.08
- Groove Width (W) 4.17 mm
- Approx. Loose Clip OD 38.96
- Info Axial Assembly - Closed Gap
- Section Profile Square Section
- Material Carbon Spring Steel
Product Compliance and Data
Additional Resources
Cross References
- Eaton 300-149
- Arcon XSC-149
- NoCor XSC-149
- A0700-149
- A0700149
- 300149
- XSC149


