
Miniature Bearings Australia
WRE-0270-LS-L - Datasheet
MBA
Category Information
Retaining Rings - External - Snap Rings - Carbon SteelCarbon Steel Snap Rings External Retaining Rings. Includes series M3200 / SP / ESP / M2400 / SW snaprings. Similar to a circlip without the lugs.
- An expanded range may be available on special order. Please enquire.
- Carbon sping steel
- Used on the outside diameter of a bearing, shaft or similar equipment
Product Data
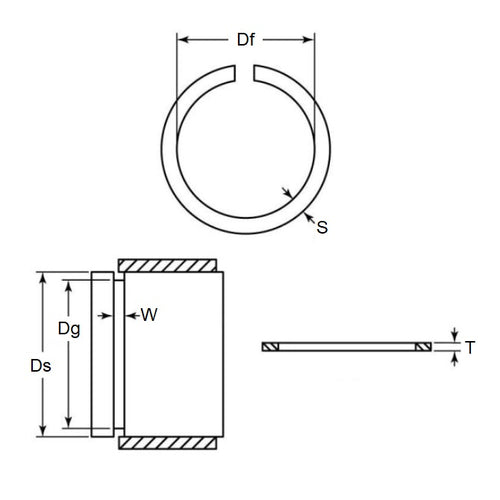
- Shaft or Bearing OD (d1)
:
26.98
mm
(Equiv. 1.062 in.) - Clip Thickness (T)
1.27
mm
+/- 0.05
(Equiv. 0.05 in.) - Groove Dia. (Dg)
25.81
mm
+/- 0.08
(Equiv. 1.016 in.) - Approx. Loose Circlip ID (A) 25.40 mm + 0.00 / - 0.79
- Radial Wall (S) Approx. 2.36 mm +/- 0.08
- Groove Width (W) 1.42 mm
- Approx. Loose Clip OD 30.12
- Info Basic
- Section Profile Rectangular with Square Edge
- Material Carbon Spring Steel
Product Compliance and Data
Additional Resources
Cross References
- NoCor USC-106
- Rotorclip USC-106
- Eaton XAN-106
- USC106
- WRE0270SR
- XAN106


