
Miniature Bearings Australia
WRE-0254-SQ-O - Datasheet
MBA
Category Information
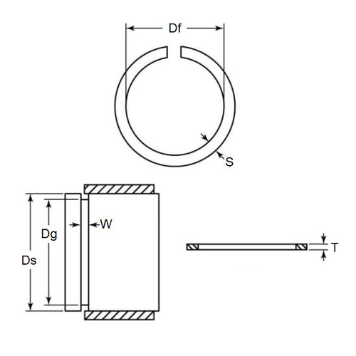
Retaining Rings - External - Snap Rings - Carbon SteelCarbon Steel Snap Rings External Retaining Rings. Includes series M3200 / SP / ESP / M2400 / SW snaprings. Similar to a circlip without the lugs.
- An expanded range may be available on special order. Please enquire.
- Carbon sping steel
- Used on the outside diameter of a bearing, shaft or similar equipment
Product Data
- Shaft or Bearing OD (d1)
:
25.40
mm
(Equiv. 1 in.) - Clip Thickness (T)
1.98
mm
+/- 0.05
(Equiv. 0.078 in.) - Groove Dia. (Dg)
24.38
mm
+ 0.08 / - 0.00
(Equiv. 0.96 in.) - Approx. Loose Circlip ID (A) 24.13 mm + 0.00 / - 0.90
- Radial Wall (S) Approx. 1.98 mm +/- 0.05
- Groove Width (W) 2.16 mm
- Approx. Loose Clip OD 28.09
- Info Radial Assembly - Open Gap
- Section Profile Square Section
- Material Carbon Spring Steel
Product Compliance and Data
Additional Resources
Cross References
- Eaton 400-238
- Arcon CSO-238
- NoCor XSO-238
- A0600238
- A0600-238
- CSO238
- XSO238
- 400238


