
Miniature Bearings Australia
WRE-0238-LS-L - Datasheet
MBA
Category Information
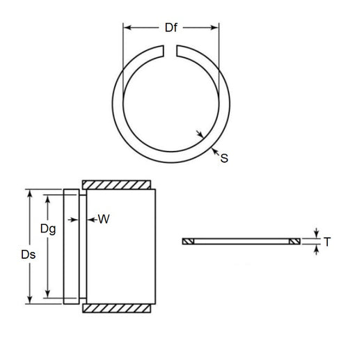
Retaining Rings - External - Snap Rings - Carbon SteelCarbon Steel Snap Rings External Retaining Rings. Includes series M3200 / SP / ESP / M2400 / SW snaprings. Similar to a circlip without the lugs.
- An expanded range may be available on special order. Please enquire.
- Carbon sping steel
- Used on the outside diameter of a bearing, shaft or similar equipment
Product Data
- Shaft or Bearing OD (d1)
:
23.83
mm
(Equiv. 0.938 in.) - Clip Thickness (T)
1.07
mm
+/- 0.04
(Equiv. 0.042 in.) - Groove Dia. (Dg)
22.81
mm
(Equiv. 0.898 in.) - Approx. Loose Circlip ID (A) 22.76 mm + 0.00 / - 1.14
- Radial Wall (S) Approx. 2.06 mm
- Groove Width (W) 1.17 mm
- Approx. Loose Clip OD 26.88
- Section Profile Rectangular with Square Edge
- Material Carbon Spring Steel
Product Compliance and Data
Additional Resources
Cross References
- Arcon TRC-093
- NoCor TRC-093
- A0500-093
- A0500093
- TRC093
- WRE0238SRL


