
Miniature Bearings Australia
WRE-2286-LS - Datasheet
MBA
Category Information
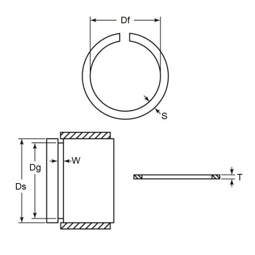
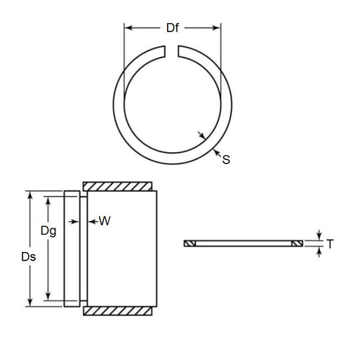
Retaining Rings - External - Snap Rings - Carbon SteelCarbon Steel Snap Rings External Retaining Rings. Includes series M3200 / SP / ESP / M2400 / SW snaprings. Similar to a circlip without the lugs.
- An expanded range may be available on special order. Please enquire.
- Carbon sping steel
- Used on the outside diameter of a bearing, shaft or similar equipment
Product Data
- Shaft or Bearing OD (d1)
:
228.60
mm
(Equiv. 9 in.) - Clip Thickness (T)
4.75
mm
+/- 0.05
(Equiv. 0.187 in.) - Groove Dia. (Dg)
219.96
mm
+/- 0.20
(Equiv. 8.66 in.) - Approx. Loose Circlip ID (A) 217.04 mm + 0.00 / - 4.00
- Radial Wall (S) Approx. 12.70 mm +/- 0.13
- Groove Width (W) 5.31 mm
- Approx. Loose Clip OD 242.44
- Info Basic
- Section Profile Rectangular with Square Edge
- Material Carbon Spring Steel
Product Compliance and Data
Additional Resources
Cross References
- NoCor USC-900
- Rotorclip USC-900
- Eaton XAN-900
- USC900
- WRE2286SR
- XAN900


