
Miniature Bearings Australia
WRE-0222-SQ-HC - Datasheet
MBA
Category Information
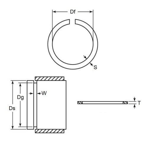
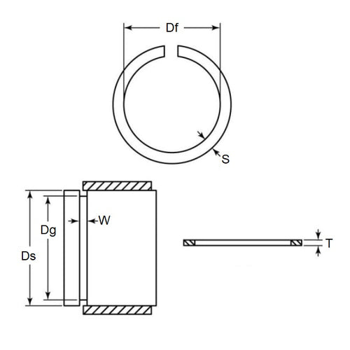
Retaining Rings - External - Snap Rings - Carbon SteelCarbon Steel Snap Rings External Retaining Rings. Includes series M3200 / SP / ESP / M2400 / SW snaprings. Similar to a circlip without the lugs.
- An expanded range may be available on special order. Please enquire.
- Carbon sping steel
- Used on the outside diameter of a bearing, shaft or similar equipment
Product Data
- Shaft or Bearing OD (d1)
:
22.23
mm
(Equiv. 0.875 in.) - Clip Thickness (T)
2.77
mm
+/- 0.05
(Equiv. 0.109 in.) - Groove Dia. (Dg)
20.85
mm
+ 0.08 / - 0.00
(Equiv. 0.821 in.) - Approx. Loose Circlip ID (A) 20.65 mm + 0.00 / - 0.90
- Radial Wall (S) Approx. 2.77 mm +/- 0.05
- Groove Width (W) 2.97 mm
- Approx. Loose Clip OD 26.19
- Info Axial Assembly - Closed Gap
- Section Profile Square Section
- Material Carbon Spring Steel
Product Compliance and Data
Additional Resources
Cross References
- Eaton 300-135
- Arcon XSC-135
- NoCor XSC-135
- A0700135
- A0700-135
- 300135
- XSC135


