
Miniature Bearings Australia
WRE-0220-LR - Datasheet
MBA
Category Information
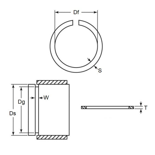
Retaining Rings - External - Snap Rings - Carbon SteelCarbon Steel Snap Rings External Retaining Rings. Includes series M3200 / SP / ESP / M2400 / SW snaprings. Similar to a circlip without the lugs.
- An expanded range may be available on special order. Please enquire.
- Carbon sping steel
- Used on the outside diameter of a bearing, shaft or similar equipment
Product Data
- Shaft or Bearing OD (d1)
:
22.00
mm
(Equiv. 0.866 in.) - Clip Thickness (T)
1.17
mm
+ 0 / - 0.10
(Equiv. 0.046 in.) - Groove Dia. (Dg)
20.64
mm
+ 0 / - 0.25
(Equiv. 0.813 in.) - Approx. Loose Circlip ID (A) 20.70 mm
- Radial Wall (S) Approx. 2.39 mm + 0 / - 0.10
- Groove Width (W) 1.60 mm
- Approx. Loose Clip OD 25.48
- Info Radiused Edge
- Section Profile Rectangular with Radiused Edge
- Material Carbon Spring Steel
Product Compliance and Data
Additional Resources
Cross References
- NoCor DSP-022
- Seeger SP-022
- SP022
- DSP022
- WRE0220SR


