
Miniature Bearings Australia
WRE-0198-LS - Datasheet
MBA
Category Information
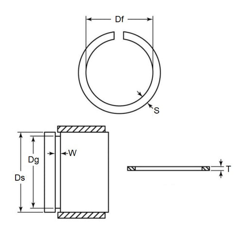
Retaining Rings - External - Snap Rings - Carbon SteelCarbon Steel Snap Rings External Retaining Rings. Includes series M3200 / SP / ESP / M2400 / SW snaprings. Similar to a circlip without the lugs.
- An expanded range may be available on special order. Please enquire.
- Carbon sping steel
- Used on the outside diameter of a bearing, shaft or similar equipment
Product Data
- Shaft or Bearing OD (d1)
:
19.84
mm
(Equiv. 0.781 in.) - Clip Thickness (T)
1.07
mm
+/- 0.05
(Equiv. 0.042 in.) - Groove Dia. (Dg)
18.92
mm
+/- 0.05
(Equiv. 0.745 in.) - Approx. Loose Circlip ID (A) 18.62 mm + 0.00 / - 0.64
- Radial Wall (S) Approx. 1.58 mm +/- 0.08
- Groove Width (W) 1.17 mm
- Approx. Loose Clip OD 21.78
- Info Basic
- Section Profile Rectangular with Square Edge
- Material Carbon Spring Steel
Product Compliance and Data
Additional Resources
Cross References
- NoCor USC-078
- Rotorclip USC-078
- Eaton XAN-078
- USC078
- WRE0198SR
- XAN078


