
Miniature Bearings Australia
WRE-0191-SQ-HO - Datasheet
MBA
Category Information
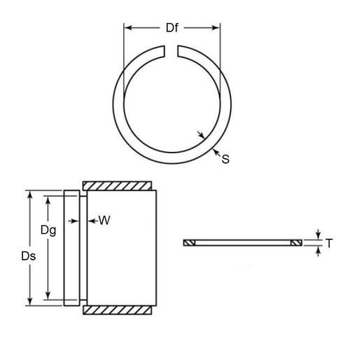
Retaining Rings - External - Snap Rings - Carbon SteelCarbon Steel Snap Rings External Retaining Rings. Includes series M3200 / SP / ESP / M2400 / SW snaprings. Similar to a circlip without the lugs.
- An expanded range may be available on special order. Please enquire.
- Carbon sping steel
- Used on the outside diameter of a bearing, shaft or similar equipment
Product Data
- Shaft or Bearing OD (d1)
:
19.05
mm
(Equiv. 0.75 in.) - Clip Thickness (T)
2.36
mm
+/- 0.05
(Equiv. 0.093 in.) - Groove Dia. (Dg)
17.88
mm
+ 0.08 / - 0.00
(Equiv. 0.704 in.) - Approx. Loose Circlip ID (A) 17.70 mm + 0.00 / - 0.65
- Radial Wall (S) Approx. 2.36 mm +/- 0.05
- Groove Width (W) 2.54 mm
- Approx. Loose Clip OD 22.42
- Info Radial Assembly - Open Gap
- Section Profile Square Section
- Material Carbon Spring Steel
Product Compliance and Data
Additional Resources
Cross References
- Eaton 400-231
- Arcon CSO-231
- NoCor XSO-231
- A0600231
- A0600-231
- CSO231
- XSO231
- 400231


