
Miniature Bearings Australia
WRE-0159-SQ-O - Datasheet
MBA
Category Information
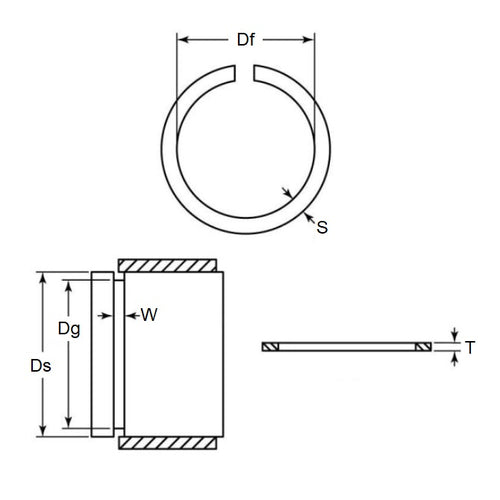
Retaining Rings - External - Snap Rings - Carbon SteelCarbon Steel Snap Rings External Retaining Rings. Includes series M3200 / SP / ESP / M2400 / SW snaprings. Similar to a circlip without the lugs.
- An expanded range may be available on special order. Please enquire.
- Carbon sping steel
- Used on the outside diameter of a bearing, shaft or similar equipment
Product Data
- Shaft or Bearing OD (d1)
:
15.88
mm
(Equiv. 0.625 in.) - Clip Thickness (T)
1.40
mm
+/- 0.05
(Equiv. 0.055 in.) - Groove Dia. (Dg)
15.16
mm
+ 0.08 / - 0.00
(Equiv. 0.597 in.) - Approx. Loose Circlip ID (A) 15.01 mm + 0.00 / - 0.65
- Radial Wall (S) Approx. 1.40 mm +/- 0.05
- Groove Width (W) 1.58 mm
- Approx. Loose Clip OD 17.81
- Info Radial Assembly - Open Gap
- Section Profile Square Section
- Material Carbon Spring Steel
Product Compliance and Data
Additional Resources
Cross References
- Eaton 400-226
- Arcon CSO-226
- NoCor XSO-226
- A0600-226
- A0600226
- CSO226
- XSO226
- 400226


